Funzioni dei blocchi di controllo idraulici
  • Accensione, per un avviamento senza scossoni e urti
  • Intercettazione, per separare gli assi di azionamento dall'alimentazione del fluido
  • Modalità di configurazione, per lo spostamento a velocità ridotta
  • Cortocircuito delle camere, per l'ottimizzazione dello smorzamento nel controllo

Funzioni generali
Esempi di blocchi valvole

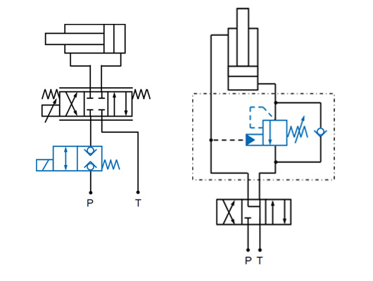
Intercettazione di P

Questa funzione separa l'azionamento dall'alimentazione di pressione. Ciò si realizza con una valvola di blocco nella linea di mandata P.

Definizione dell'abbassamento

La regolazione della velocità di abbassamento può essere talvolta necessaria per proteggere persone o componenti. Ciò si realizza con una valvola di freno di discesa (valvola di contropressione) nel raccordo di ritorno.

Blocco valvole per l'intercettazione di P o l'abbassamento definito
Blocco valvole per flusso variabile
Flusso variabile

In caso di elevata dinamica, diverse servovalvole vengono collegate tramite un blocco di raccordo per consentire un'elevata portata. A bassa velocità, si utilizza solo una piccola valvola. Questo viene realizzato con due o più valvole di regolazione o di commutazione.

Ogni blocco di controllo deve essere progettato individualmente per la rispettiva applicazione. Questa definizione dettagliata viene eseguita dagli specialisti dei blocchi idraulici di Hänchen. Di seguito sono riportate le possibili funzioni che possono essere integrate nel blocco.

Funzioni di sicurezza
Esempi di controlli idraulici

Oltre alla funzione tecnica, le macchine devono soddisfare anche i requisiti di sicurezza prescritti dalla valutazione dei rischi per ridurre al minimo il pericolo per le persone. Grazie a un'esecuzione ridondante, le seguenti funzioni idrauliche possono essere utilizzate come funzioni di sicurezza per PLe:

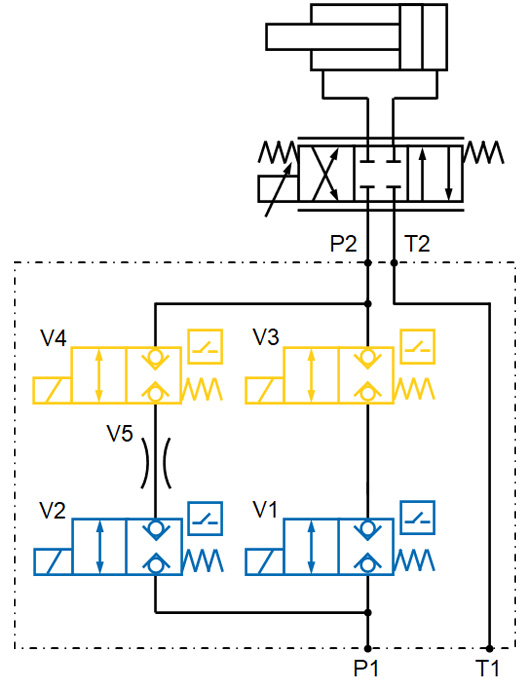
Velocità ridotta

Nella modalità di configurazione, può essere necessario ridurre la velocità per evitare pericoli rilevanti per la sicurezza. Ciò si realizza tramite un bypass con valvola di blocco V2 e strozzatore V5 e una valvola di blocco V1 nella portata volumetrica principale.

Blocco di sicurezza idraulico per velocità ridotta
Intercettazione A e/o B

Bloccando l'olio nelle camere, la posizione del cilindro viene mantenuta sotto forza. Ciò si realizza con valvole di blocco V1 e/o V2 nelle linee A e/o B. In caso di fessure di strozzatura nell'utenza, è necessario bloccare anche le linee dell'olio funzionale.

Blocco di sicurezza idraulico per l'intercettazione A e/o B

Funzione di sicurezza: esecuzione ridondante delle valvole di blocco monitorate in posizione, collegate in serie (V3 e V4)

Concetto di sicurezza per macchine e impiantiVi aiutiamo nell'implementazione di un concetto di sicurezza praticabile per la vostra macchina nuova o esistente.
Safety block for machines and systemsWe help you to implement a safe hydraulic control system. Contact us!

Esempio di applicazione per un banco di prova
Blocco idraulico come blocco di sicurezza

Durante l'esecuzione di prove sui materiali, è necessario garantire che le persone possano lavorare in sicurezza nel campo di prova e, ad esempio, non subiscano schiacciamenti o tagli. Per il controllo sicuro del flusso idraulico per PLd, vengono utilizzate le seguenti funzioni in un blocco di sicurezza:

  • Funzionamento normale (a 200 l/min) intercettabile in modo ridondante
  • Circuito di configurazione con velocità ridotta (a 15 l/min)
  • Blocco del circuito di avviamento in esecuzione ridondante
  • Aumento e riduzione continui della pressione per un'attivazione e disattivazione del consumatore pressoché priva di urti
Menu
DE