Superfici levigate, precisione geometrica, lunga vita utile. Dalle dimensioni di montaggio e dagli accessori a norma, queste serie convincono con i valori interni di Hänchen.
Nella tipica qualità Hänchen, con elementi di guarnizione coordinati, questi cilindri a norma soddisfano i massimi requisiti tecnici per azionamenti sicuri e regolati in modo affidabile. I cilindri a norma Hänchen corrispondono alle dimensioni di montaggio secondo DIN ISO 6020/6022.
Hänchen sviluppa e produce cilindri idraulici di alta qualità per le più svariate esigenze.

Esistono numerose normative per i cilindri idraulici: le norme dimensionali hanno lo scopo di garantire l'intercambiabilità tra i produttori. Per i cilindri tondi si applicano le seguenti norme: DIN ISO 6020-1, DIN ISO 6022. Gli utensili per cilindri a norma, come ad esempio le teste snodate, rientrano nella norma DIN ISO 8132.
La norma dimensionale descrive quindi le dimensioni di montaggio dei cilindri a norma, ma non la qualità o il materiale del cilindro idraulico.
Vedi anche: https://www.iso.org
Suggerimento: confrontare sempre le dimensioni standard tra i produttori, poiché la norma consente ampie tolleranze.
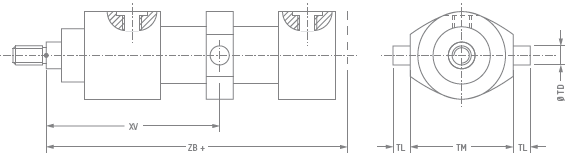
Cilindro a norma con le stesse dimensioni di montaggio a confronto:
a sinistra cilindro idraulico secondo ISO 6022 con smorzamento
a destra cilindro idraulico della serie 550 senza smorzamento
I nostri accessori standard conformi alle norme ISO 8132/8133 e altri utensili sono disponibili nel configuratore prodotti HÄKO, adatti al cilindro selezionato.
Tipo di effetto: cilindro differenziale | Sistemi di guarnizione: versione standard, Servocop®, Servofloat® | Velocità: fino a 0,5 m/s | Corsa: 1 - 6.000 mm
È possibile eseguire il dimensionamento idraulico dei cilindri idraulici, nonché la selezione degli accessori, delle valvole e delle schede dati tecnici appropriati nel nostro configuratore di prodotti HÄKO.
| Serie 160 DIN ISO 6020-1 |
Serie 550 DIN ISO 6022 |
||||
| Alesaggio (mm) |
Ø stelo (mm) |
Forza F1 | F2 (kN) |
Pressione max. (bar) |
Forza F1 | F2 (kN) |
Pressione max. (bar) |
| 25 | 14 | 7,9 | 5,4 | 160 | --- | --- |
| 32 | 18 | 12,9 | 8,8 | 160 | --- | --- |
| 40 | 22 25 28 30 |
20,1 | 14,0 --- 20,1 | 10,3 --- |
160 --- 160 --- |
--- 31,4 | 19,1 --- 31,4 | 13,7 |
--- 250 --- 250 |
| 50 | 28 30 36 40 |
31,4 | 21,6 --- 31,4 | 15,1 --- |
160 --- 160 --- |
--- 49,1 | 31,4 --- 49,1 | 17,7 |
--- 250 --- 250 |
| 60 | 40 50 |
--- --- |
--- --- |
70,7 | 39,3 70,7 | 21,6 |
250 250 |
| 63 | 36 45 |
49,9 | 33,6 49,9 | 24,4 |
160 160 |
--- --- |
--- --- |
| 80 | 45 50 56 60 |
80,4 | 55,0 --- 80,4 | 41,0 --- |
160 --- 160 --- |
--- 125,7 | 76,6 --- 125,7 | 55,0 |
--- 250 --- 250 |
| 100 | 56 60 70 80 |
125,7 | 86,3 --- 125,7 | 64,1 --- |
160 --- 160 --- |
--- 196,3 | 125,7 --- 196,3 | 70,7 |
--- 250 --- 250 |
| 125 | 70 80 90 100 |
196,3 | 134,8 --- 196,3 | 94,6 --- |
160 --- 160 --- |
--- 306,8 | 181,1 --- 306,8 | 110,4 |
--- 250 --- 250 |
| 140 | 100 | --- | --- | 384,8 | 188,5 | 250 |
| 160 | 90 110 |
321,7 | 219,9 321,7 | 169,7 |
160 160 |
--- --- |
--- --- |
| 200 | 110 140 |
502,7 | 350,6 502,7 | 256,4 |
160 160 |
--- --- |
--- --- |
F1 = Forza di spinta durante l'estensione del cilindro | F2 = Forza di trazione durante la retrazione del cilindro