I cilindri idraulici nel settore della pressofusione sono soggetti a particolari requisiti in base alle condizioni ambientali:
Non importa in quali condizioni un cilindro idraulico dovrà operare presso la vostra sede: noi lo rendiamo possibile. Con un sistema completo che si adatta alle vostre esigenze.
Hänchen possiede una vasta conoscenza del settore e vi offre cilindri idraulici su misura per la vostra macchina.
La colonna di guida idraulica è una colonna temprato esternamente con cilindro idraulico integrato. In questo modo, i carichi accoppiati allo stelo pistone possono essere guidati e movimentati con precisione, senza gravare sul cilindro stesso a causa di forze laterali.
Con la colonna di guida idraulica è possibile ottenere due funzioni con un unico componente, risparmiando spazio: il movimento lineare di un cilindro idraulico e la guida esatta di una colonna rotonda. Grazie alla superficie temprata della colonna di guida, è possibile trasmettere forze di guida molto elevate.
cilindro differenziale ammortizzazione di fine corsa su entrambi i lati
Sistema di guarnizione di chiusura: Servocop®
PU/NBR per olio idraulico fino a 100°C
PU+/NBR per HFC fino a 60°C
FKM per temperature fino a 200°C
20MnV6 cromato e levigato
42CrMo4V temprato, cromato e levigato
Cilindro: flangia rettangolare lato pistone,
Stelo pistone: filetto interno
secondo ISO 228
Posizione raccordo: lato pistone e lato stelo oppure entrambi integrati lato pistone
esterno: temprato superficialmente 52 HRC, optional cromato
interno: levigato
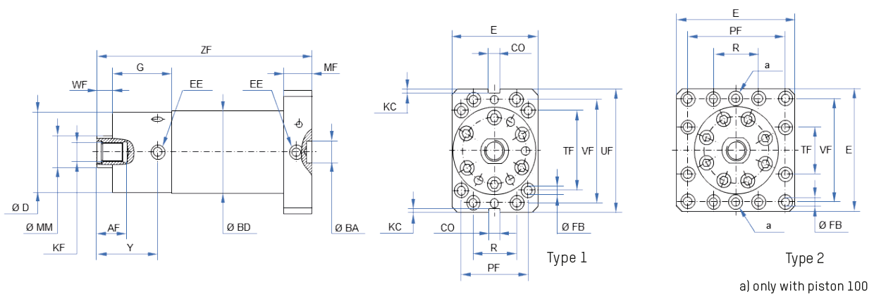
|
Alesaggio |
MM |
Corsa** | KF | AF min. |
WF | ZF** | G | MF | BD f9 |
D | BA H7 |
Y | PL | EE |
| 80 | 50 | 430 | M 30 | 35 | 28 | 729 | 28 | 50 | 130 | 129,8 | 40 | 78 | 27 | G 3/4* |
| 100 | 60 | 250 | M 36 | 45 | 30 | 615 | 114 | 55 | 155 | 154 | 40 | 119 | 32 | G 3/4 |
| 100 | 60 | 400 | M 42 x 1,5 | 60 | 28 | 835 | 105 | 70 | 160 | 155 | 50 | 110 | 40 | G 3/4 |
| 125 | 80 |
400 |
M 60 x 2 | 55 | 42 | 949 | 154 | 70 | 180 | 179,8 | 50 | 162 | 33 | G 1 |
|
Alesaggio |
Flangia |
UF | E | TF | VF | R | PF | CO -0,1 |
KF | FB | p max. |
| 80 | Tipo 1 | 185 | 130 | 155 | 122 | 60 | 102 | - | - | 19 | 160 bar |
| 100 | Tipo 1 | 225 | 155 | 150 | 190 | 64 | 118 | 25 | 5 | 21 | 200 bar |
| 100 | Tipo 2 | 255 | 250 | 70 | 170 | 100 | 204 | - | - | 26 | 160 bar |
| 125 | Tipo 2 | - | 255 | 70 | 210 | 100 | 210 | - | - | 26 | 160 bar |
Misure in millimetri
* EE lato stelo supplementare nella flangia lato pistone
** Corsa e lunghezza di montaggio differenti
I cilindri tiranti per anime sono cilindri idraulici particolarmente robusti, adattati alle esigenze delle macchine per pressofusione.
Grazie al sistema di rilevamento della posizione montato esternamente con finecorsa, entrambe le posizioni finali possono essere posizionate in modo flessibile su qualsiasi posizione. Lo stelo pistone è protetto dalla rotazione mediante il sistema di rilevamento della posizione.
Un moderno sistema di guarnizione aumenta la durata dei cilindri.
cilindro differenziale, optional con ammortizzazione di fine corsa
Sistema di guarnizione di chiusura: Servocop®
PU/NBR per olio idraulico fino a 100°C
PU+/NBR per HFC fino a 60°C
FKM per temperature fino a 200°C
20MnV6 cromato e levigato
42CrMo4V temprato, cromato e levigato
Cilindro: flangia a cambio rapido lato stelo
Stelo pistone: perno di raccordo
secondo ISO 228
Posizione raccordo: lato pistone e lato stelo
fino a 160 bar
| Alesaggio | Stelo Ø |
Raccordo | Sfiato | LB | a | d | C | b | c | c2 | c3 | l8 | l9 |
| 40 | 20 | G 1/4 | M 8 x 1 | 134 | 13 | 19 | 20 | 10 | 68 | 50 | 52 | 53 | 14 |
| 50 | 25 | G 3/8 | M 8 x 1 | 150 | 17 | 24 | 26 | 13 | 80 | 60 | 64 | 61 | 15 |
| 60 | 30 | G 1/2 | M 8 x 1 | 164 | 20 | 29 | 30 | 15 | 95 | 70 | 76 | 68 | 17 |
| 80 | 40 | G 1/2 | M 8 x 1 | 199 | 27 | 39 | 40 | 20 | 116 | 95 | 102 | 73 | 23 |
| 100 | 50 | G 3/4 | M 8 x 1 | 217 | 34 | 49 | 50 | 25 | 140 | 120 | 126 | 76 | 22 |
| 125 | 60 | G 1 | M 8 x 1 | 248 | 40 | 59 | 60 | 30 | 168 | 145 | 158 | 80 | 38 |
| 140 | 80 |
G 1 1/4 |
M 8 x 1 | 268 | 54 | 79 | 80 | 40 | 200 | 160 | 180 | 89 | 31 |
| 160 |
100 |
G 1 1/4 | M 8 x 1 | 302 | 67 | 99 | 100 | 50 | 220 | 190 | 202 | 91 | 50 |
|
160 |
120 |
G 1 1/4 | M 8 x 1 | 326 | 80 | 119 | 120 | 60 | 240 | 220 | 228 | 110 | 46,5 |
| Alesaggio | Stelo Ø |
z1 | MF | k | FB | UF | E | H | LF+ |
| 40 | 20 | 60 | 40 | 105 | 18 | 141 | 80 | 98 | 60 |
| 50 | 25 | 60 | 40 | 150 | 25 | 200 | 90 | 103 | 60 |
| 60 | 30 | 70 | 50 | 160 | 25 | 210 | 110 | 113 | 60 |
| 80 | 40 | 70 | 50 | 180 | 25 | 230 | 130 | 123 | 60 |
| 100 | 50 | 75 | 55 | 210 | 25 | 260 | 150 | 133 | 60 |
| 125 | 60 | 85 | 65 | 250 | 30 | 310 | 180 | 148 | 60 |
| 140 | 80 | 85 | 65 | 280 | 35 | 350 | 220 | 168 | 60 |
| 160 | 100 | 100 | 80 | 290 | 39 | 370 | 240 | 178 | 60 |
| 160 | 120 | 110 | 90 | 310 | 45 | 400 | 260 | 188 | 60 |
Misure in millimetri