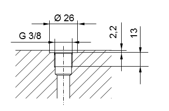
Filettatura del tubo ISO 228 parte 1 - G3/8 per perni filettati secondo DIN 3852 parte 2, forma A (con guarnizione secondo DIN 3869) o forma B (con bordo di tenuta)
Non utilizzare sigillante.